Контроллер Teploluxe 2000
Предназначен для управления системами автоматического обогрева. Используется для управления системами антиобледенения кровли и открытых площадок, обогрева трубопроводов и резервуаров, а также системами обогрева помещений (электрическими нагревательными кабелями,плёночными и другими электронагревателями).
Режимы работы:
• Кровля — для управления системой антиобледенения кровли, на основании показаний датчиков: температуры, осадков, воды (в водостоке).
• Кровля / Двор — управляет обогревом кровли и открытых площадок по двум отдельным каналам.
• Поддержание — возможность управления обогревом для 4 независимых каналов.

Функциональные возможности:
• До четырех независимых каналов (в зависимости от выбранного режима).
• Настраиваемый гистерезис
• Регулировка чувствительности датчиков осадков и воды
• Крепление на DIN-рейку, а также на стену
• Функция задержки отключения обогрева
• Журнал событий
• Защита от одновременного включения нескольких зон
• Блокировка настроек
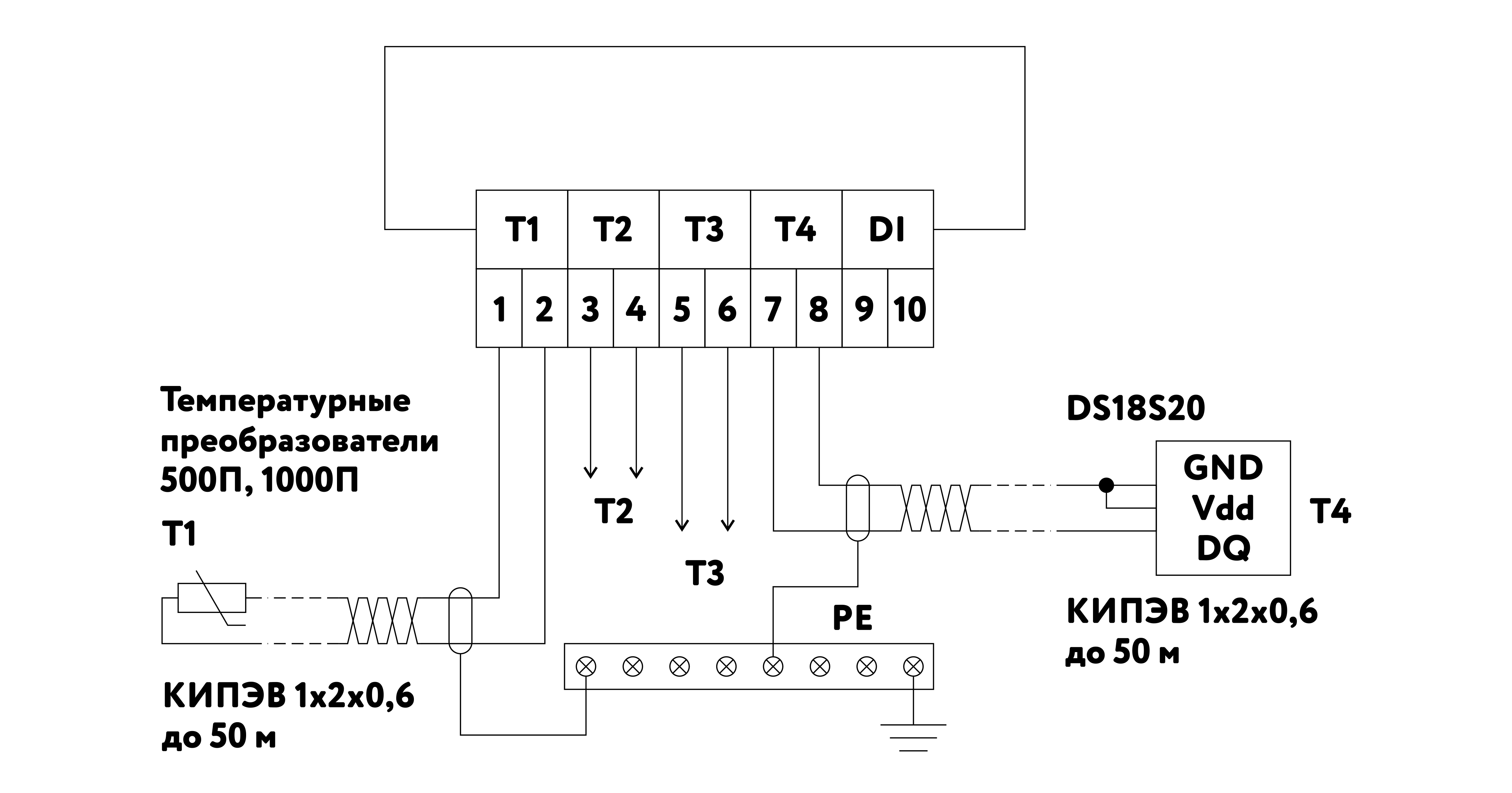
Схема подключения датчиков:


- Instrukzia.pdf (14.18 MBytes) - Руководство пользователя Teploluxe 2000
- Pas.pdf (3.00 MBytes) - Паспорт Teploluxe 2000
- inf_Teploluxe 2000v2 (2).pdf (1.16 MBytes) - Информационная брошюра Teploluxe 2000
- Sert.pdf (608.83 KBytes) - Сертификат соответствия











































































